Ein Messverstärker oder auch Instrumentenverstärker ist eine spezielle Schaltung aus Operationsverstärkern, die dazu dient, kleine Differenzspannungen präzise und mit hohem Gleichtaktunterdrückungsverhältnis (CMRR) zu verstärken.
Funktion des Messverstärkers
- Verstärkung von sehr kleinen Differenzspannungen (z. B. Millivolt-Bereich)
- Unterdrückung von Gleichtaktspannungen (z. B. Störungen durch gemeinsame Masse)
- Hohe Eingangsimpedanz → keine Belastung der Signalquelle
- Oft mit einstellbarer Verstärkung

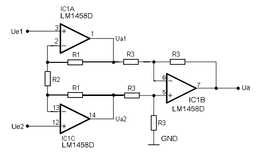
Im wesentlichen erkennt man drei OPs. Die Eingangssignale gehen direkt auf den OP ohne zusätzliche Beschaltung. Somit wird das zu messende Signal nicht belastet. IC1A und IC1C dienen als Impedanzwandler.
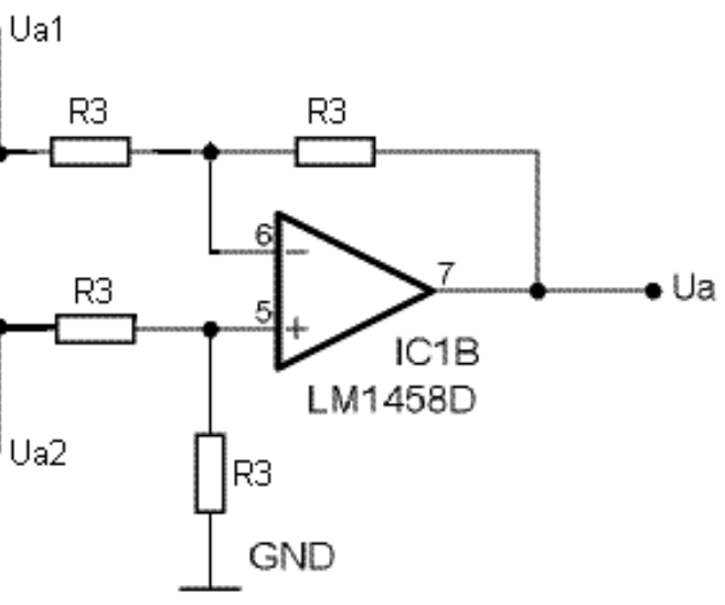
IC1B ist als klassischer Differenzverstärker beschaltet. So weit so gut.
Nun wollen wir natürlich die Funktion der Schaltung durchdringen. Und Sie wissen es bei mir ja schon: Wir brauchen nur das Grundverständnis für den OP und das ohmsche Gesetz.
Wir nehmen wie immer 2 Spannungen am Eingang an, z.B. Ue1= +3V und Ue2=+2V. Wir machen alle Widerstände auf den gleichen Wert, z.B. 1 kΩ. Nun geht`s los: Wir schalten die Schaltung ein, alle OPs haben in dem Fall 0V am Ausgang. Die OPs ändern nun die Ausgangsspannung so lange, bis die Differenz am Eingang ausgeglichen ist. Wenn das nicht gelingen sollte, bleiben die Ausgangsspannungen der OPs in der Begrenzung hängen, das ist die Versorgungsspannung.
In unserem Fall liegt R2 oben an +3V (Ue1) und unten an +2V (Ue2). Das geht nur, wenn Ua von IC1A +4V und UA von IC1C auf +1V.
Hier nochmals der Erklärungsversuch:

+4V Ur= 1V Ur=1V Ur=1V +1V
Folgend 2 Arbeitsblätter, die ihnen den Messverstärker in seiner Funktion näherbringen sollen:
Hier die ausführliche Version:
I
C1B ist ein Differenzverstärker. Wie groß ist Ua von IC1B, wenn Ua1=+4V und Ua2=+1V?

Auch hier ist wieder das ohmsche Gesetz gefragt. Ua2=+1V, somit Ue+ vom IC1B=0,5V. Der OP muss nun die Ausgangsspannung so ändern, dass die Differenz am Eingang 0 wird -> Ue- wird dann auch+0,5V. Ua1=+4V somit muss an beiden Widerständen 3,5V abfallen ->ergibt Ua vom IC1B von -3V.
Alles klar?
Simulation mit MultisimLife:
Quelle meine Seite bei MultisimLife Messverstärker Simulation
Hier ein Arbeitsblatt in einer kürzeren Fassung, die Inhalte sind jedoch sehr ähnlich, in beiden Fällen geht es um das Verständnis der Funktion des Messverstärkers.